| 选择分类:当前分类——当前分类 相关联或者相类似的文章: 各地消费者协会网址、投诉电话一览表(82) ds18b20读取温度的完整程序(79) 可测晶振的1000MHz频率计(78) 音频感应无线耳机的改进(70) 电阻箱(70) ATX电源控制电路的工作原理(70) 功放三个技术指标的测量(66) ATX电源控制电路的工作原理1(66) CXA1019(CXA1191)集成电路的应用(65) 一款人体感应开关(63) LED背光灯极(52) 国外汽车音响的新技术(44) 耳机功放IC TDA1308(43) 用TDA7294作耳机放大器(42) 用UBA2014的电子镇流器(38) 电学电路试验2.0用户手册下载(36) 实用的可调三端稳压模块(30) 集成霍尔传感器简介与检测方法(27) 用DS1302+AT89C2051控制的红外遥控LED电子钟(26) Keil C51软件的安装与使用(20) 首页 前页 后页 尾页 本站推荐: | 多频超声波发生器
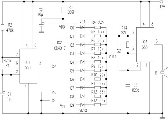
据有关资料介绍,蟑螂、蚊子等害虫甚至老鼠都对超声波厌恶,且每种害虫各有特定的厌恶频率,但各种害虫的厌恶频率具体是多少,目前尚无定论。本发生器可在23~64kHz范围内周而复始地变换着产生10种不同频率的超声波,如果你想验证超声波是否确有驱虫作用,本多频超声波发生器电路可供参考。 1、 本站不保证以上观点正确,就算是本站原创作品,本站也不保证内容正确。 2、如果您拥有本文版权,并且不想在本站转载,请书面通知本站立即删除并且向您公开道歉! |