选择分类:当前分类——当前分类
本站推荐:
电子实验套件如何接6V电源
文章长度[1053] 加入时间[2006/7/1] 更新时间[2025/12/11 10:22:24] 级别[3] [评论] [收藏]
在些施工单位将建筑材料成建筑垃圾堆放在人行道上(有公安部门颁发的暂时许可证),但在晚上由于缺乏照明,很多行人为之摔跤。本文介绍的这种路障照明灯,白天不工作,夜晚自动工作,方便了行路人。
1、电路工作原理
在新窗口打开查看!
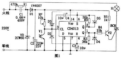
 该照明灯电路如图1所示。C1、C2、D1、VD组成电容降压式半波整波滤电路,在C2两端得稳定的12V直流电源供电路使用。IC是一只D型触发器,与R2、C3及R3、R4、D2、D3构成一个可控自激多谐振荡器。当其触输入端CL为低电平时,由于二极管D2、D3的箝位作用,振荡器停振;当CL端为高电平时,振荡器工作,从Q端输出振荡脉冲,振荡周期T=0.7(R2C3+R3C4)。

V1是光敏三极管,白天有光照射时,V1呈低阻,其集电极电位为低,IC振荡电路不工作,Q端无振荡脉冲输出。晶体管V2不工作,双向可控硅BCR截止,灯泡H不发亮。在夜晚,V1无光线照射呈高阻,其集电极电位为高,IC振荡电路起振,Q端输出振荡脉冲,经V2放大触发BCR导通,灯泡H发出闪光。

2、元件选择与制作
在新窗口打开查看!
 IC选用双D触发器CD4013(只用其中一只触发器)。V1选用3DU2光敏三极管。V2选用9013等NPN型硅晶体管,β>100。BCR选用3A600V双向可控硅TLC336或TLC386。D2~D5选用IN4148开关二极管。H选用220V,25W或40W红色灯泡。其余元件参数如图1所示。
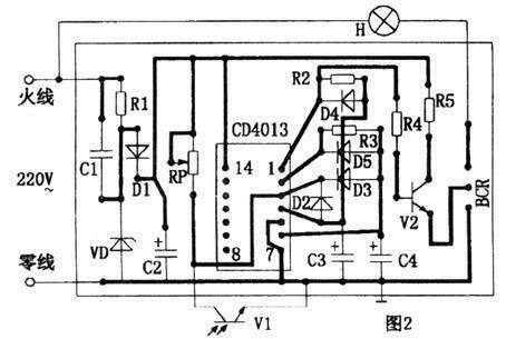
图2是该电路印制线路板。除V1、H外,全部元件装焊在印制板上。焊接时,要使用电烙铁有良好接地,以免损坏CD4013电路。调节R2、R3阻值,使IC振荡周期为0.5秒,即1秒钟发出2个振荡脉冲。调试时要注意印板上有市有火线,防止触电。调节RP,可调节V1灵敏度.
1、 本站不保证以上观点正确,就算是本站原创作品,本站也不保证内容正确。
2、如果您拥有本文版权,并且不想在本站转载,请书面通知本站立即删除并且向您公开道歉! 以上可能是本站收集或者转载的文章,本站可能没有文章中的元件或产品,如果您需要类似的商品请 点这里查看商品列表!